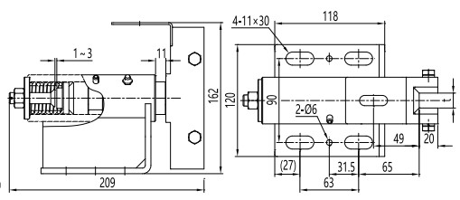
Sliding Guide Shoes For Passenger Elevators THY-GS-028
THY-GS-028 is suitable for elevator guide rail with a width of 16mm. The guide shoe is composed of guide shoe head, guide shoe body, guide shoe seat, compression spring, oil cup holder and other components. For the one-way floating spring-type sliding guide shoe, it can play a buffering effect in the direction perpendicular to the end surface of the guide rail, but there is still a large gap between it and the working surface of the guide rail, which makes it to the working surface of the guide rail. Vibration and shock in the direction have no mitigation effect. The upper limit of the rated speed of the elevator using this guide shoe is 1.75m/s. Rubber spring-type elastic sliding guide shoes, because the shoe head has a certain directionality, it also has a certain cushioning performance in the direction of the working surface of the guide rail side, its working performance is better, and the applicable elevator speed range is correspondingly increased.
The initial pressing force of the shoe lining of the elastic sliding guide shoe on the end surface of the guide rail is adjustable. The selection of the initial pressure mainly considers the partial gravity, which is related to the rated load of the elevator and the size of the car and the position of the center of gravity. The sliding guide shoe shoe lining will decrease the contact pressure after wear. When the wear is not large, the screw can be adjusted to push the shoe head forward to increase the contact pressure to ensure the smooth operation of the car, but the contact pressure is not appropriate Too large, otherwise it will increase the running resistance and accelerate the wear of the shoe lining. The shoe head can automatically rotate in the shoe seat. When the guide rail is not installed straight or the upper and lower ends of the side of the shoe lining wear unevenly, the tiny swing of the shoe head can be compensated to prevent car vibration or rail jamming.







